Высокотемпературные модели MB-21HT MB-41HT
Описание
ХАРАКТЕРИСТИКИ
|
Общие |
|
|
Корпус |
Никелированный чугун |
|
Сильфон |
Нержавеющая сталь AM-350 |
|
Все прочие поверхности, контактирующие с водой |
Нержавеющая сталь серии 300, исключение: Тефлоновая прокладка клапана |
|
Подшипники |
Постоянной смазки, экранированный, термостойкий шариковый |
|
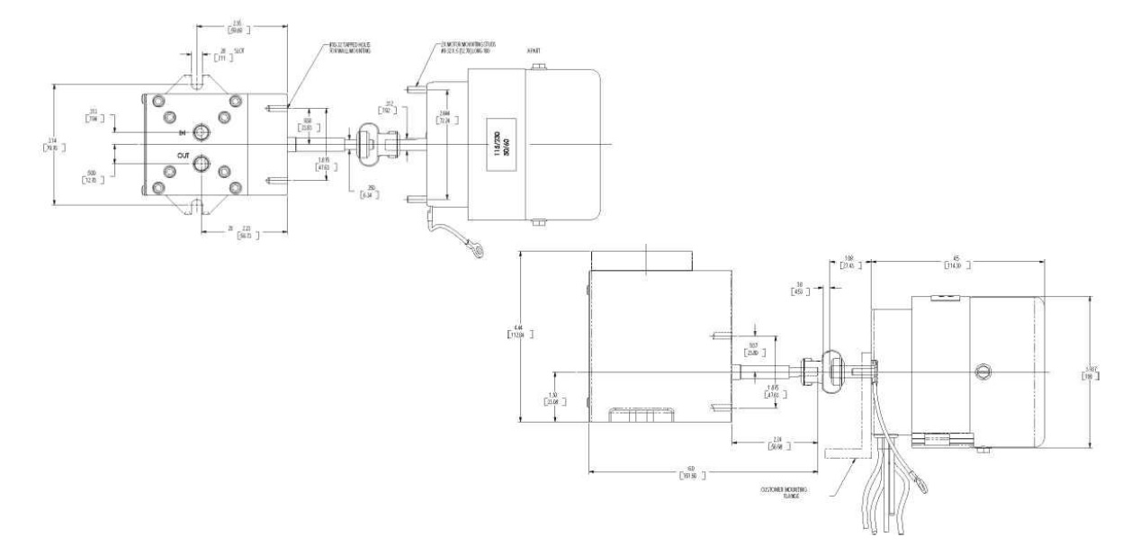
Вес |
10 ½ фунтов |
|
Внешняя температура |
450°F (232°С) макс. на вып. патрон/105°F (40°С) макс. для двигателя |
|
Инструкция по ремонту и обслуживанию |
Доступна для спецификаций ATA 100 |
|
Соединения с портом |
1/8 норм трубн резьба. |
|
Электро |
|
|
Стандарт |
115/230В 50/60 Гц |
|
Ток при 115В/60 Гц |
2.0 ампер(макс) |
|
Характеристики двигателя |
1/15 л/c |
|
Рабочая частота вращения при 60 Гц |
3000 об/мин. |
|
Изоляция |
Класс В |
