Высокотемпературная модель МВ-601НТ
Описание
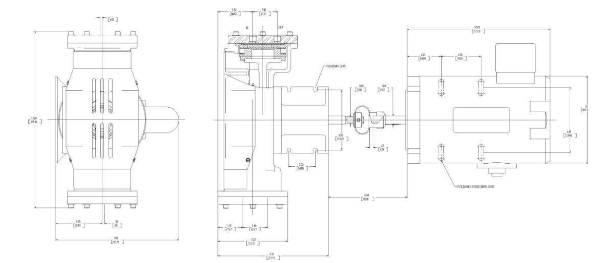
ХАРАКТЕРИСТИКИ
|
Общие |
|
|
Корпус |
Никелированный чугун и алюминий |
|
Сильфон |
Нержавеющая сталь AM-350 |
|
Все прочие поверхности, контактирующие с водой |
Нержавеющая сталь серии 300, исключение: Тефлоновая прокладка клапана и прокладка кольца - Витон |
|
Подшипники |
Постоянной смазки, экранированный, термостойкий шариковый |
|
Вес |
61 фунт |
|
Внешняя температура |
450°F (232°С) макс. на вып. патрон/105°F (40°С) макс. для двигателя |
|
Соединения с портом |
3/8 норм трубн резьба. |
|
Электро |
|
|
Стандарт |
115/230В 50/60 Гц |
|
Ток при 115В/60 Гц |
6.6 ампер (макс) |
|
Характеристики двигателя |
3/4 л/c однофазная каплезащ электро-двигателя открытого исполнения |
|
Рабочая частота вращения при 60 Гц |
1725 об/мин. |
|
Изоляция |
Класс В |
Дополнительные возможности: взрывозащищенный двигатель, многофазный двигатель, электро-двигатель закрытого типа с вентиляционным охлаждением
