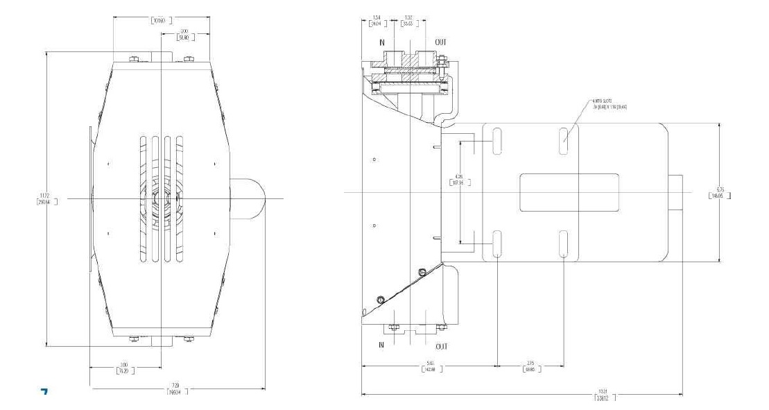
Вакуумные насосы и компрессоры модель MB-602
Описание
|
Общие |
|
|
Корпус |
Литой алюминий |
|
Сильфон |
Нержавеющая сталь AM-350 |
|
Все прочие поверхности, контактирующие с водой |
Нержавеющая сталь серии 300, исключение: Тефлоновая прокладка клапана и прокладка кольца - Витон |
|
Подшипники |
Постоянной смазки, шариковый |
|
Вес |
30 фунтов |
|
Соединения с портом |
3/8 норм трубн резьба |
|
Электро |
|
|
Стандарт |
115/230В 50/60 Гц |
|
Ток при 115В/60Гц |
6.6 ампер (макс) |
|
Характеристики двигателя |
1/2 л/с однофазный |
|
Рабочая частота вращения при 60 Гц |
3450 об/мин. |
|
Изоляция |
Класс B |
Дополнительные возможности: взрывозащищенный двигатель, многофазный двигатель, электро-двигатель закрытого типа с вентиляционным охлаждением, прокладка клапана - Витон, фитинги VCR

