Диафрагменный воздушный насос MF-1S, MF-1
Описание
|
Макс. расход |
1,8 л/мин (при 50 Гц) |
|
Макс. вакуум |
-54,6 кПа изб. |
|
Макс. давление |
63,7 кПа изб. |
|
Рабочая температура |
0℃~40℃ |
|
Рабочая среда |
Очищенный воздух (при отн. влажности менее 85%) |
|
Напряжение питания электродвигателя |
100 В 50/60 Гц |
|
Номинальный ток |
100 мА (50 Гц) / 90 мА (60 Гц) |
|
Рабочая частота вращения |
2900 об./мин (50 Гц) / 3100 об./мин (60 Гц) |
|
Номинальная мощность |
3 Вт |
|
Вес (проектный) |
MF-1S: 480 г /MF-1: 510 г |
Материал смачиваемой поверхности
|
Выходной патрубок насоса |
нерж. сталь 304 |
|
Входная / Выходная Труба |
нерж. сталь 304 диам. 4,8 мм(Стандарт)※1 |
|
Диафрагма |
Витон или витон + тефлон (стандарт) ※2 |
|
Клапан |
Витон или тефлон |
|
Уплотнительное кольцо |
Фтор-каучук |
Производительность MF-1S, MF-1
.jpg)
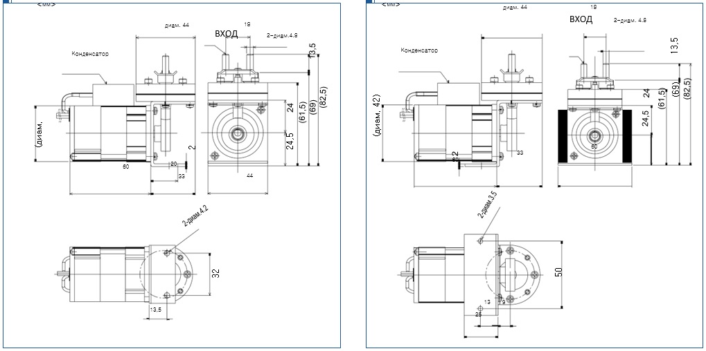
Размеры MF-1S, MF-1
.jpg)